Mạch chỉnh lưu (hay bộ chỉnh lưu hoặc diode chỉnh lưu) là một thiết bị điện chuyển đổi dòng điện xoay chiều (AC), định kỳ đảo ngược hướng, thành dòng điện một chiều (DC), chỉ chảy theo một hướng.
Quá trình này được gọi là cải chính, vì nó “làm thẳng” hướng của dòng điện. Về mặt vật lý, các bộ chỉnh lưu có một số dạng, bao gồm điốt ống chân không , van hồ quang thủy ngân , ngăn xếp các tấm oxit đồng và selenium, điốt bán dẫn, chỉnh lưu điều khiển silicon và các công tắc bán dẫn dựa trên silicon khác. Trong lịch sử, thậm chí các công tắc và động cơ điện đồng bộ đã được sử dụng. Các máy thu sóng vô tuyến ban đầu, được gọi là radio tinh thể , đã sử dụng một ” sợi râu mèo ” của dây mảnh ấn vào một tinh thể galena (chì sunfua) để phục vụ như một bộ chỉnh lưu tiếp xúc điểm hoặc “máy dò tinh thể”.
Mạch chỉnh lưu là gì?
Bây giờ chúng ta đến với ứng dụng phổ biến nhất của diode: chỉnh lưu . Nói một cách đơn giản, chỉnh lưu là việc chuyển đổi dòng điện xoay chiều (AC) thành dòng điện một chiều (DC). Điều này liên quan đến một thiết bị chỉ cho phép dòng điện một chiều. Như chúng ta đã thấy, đây chính xác là những gì một diode bán dẫn làm. Loại mạch chỉnh lưu đơn giản nhất là bộ chỉnh lưu nửa sóng . Nó chỉ cho phép một nửa dạng sóng AC truyền qua tải. (Hình bên dưới)
Mạch chỉnh lưu nửa sóng.
Mạch chỉnh lưu nửa sóng
Đối với hầu hết các ứng dụng nguồn, mạch chỉnh lưu nửa sóng (hay mạch chỉnh lưu 2 nửa chu kỳ) là không đủ cho tác vụ. Nội dung hài của dạng sóng đầu ra của bộ chỉnh lưu là rất lớn và do đó khó lọc. Hơn nữa, nguồn điện AC chỉ cung cấp năng lượng cho tải một nửa mỗi chu kỳ đầy đủ, nghĩa là một nửa công suất của nó không được sử dụng. Tuy nhiên, chỉnh lưu nửa sóng là một cách rất đơn giản để giảm công suất xuống tải điện trở. Một số công tắc điều chỉnh độ sáng của đèn hai vị trí áp dụng nguồn điện xoay chiều đầy đủ cho dây tóc cho độ sáng đầy đủ của độ cứng và sau đó điều chỉnh nửa bước sóng để tạo ra ánh sáng yếu hơn. (Hình bên dưới)

Ứng dụng chỉnh lưu nửa sóng: Đèn mờ hai cấp.
Ở vị trí công tắc Dim Dim, đèn sợi đốt nhận được khoảng một nửa công suất mà nó thường sẽ nhận được khi hoạt động trên AC sóng toàn phần. Bởi vì các xung năng lượng được điều chỉnh nửa sóng nhanh hơn nhiều so với dây tóc có thời gian nóng lên và hạ nhiệt, đèn không nhấp nháy. Thay vào đó, dây tóc của nó chỉ hoạt động ở nhiệt độ thấp hơn bình thường, cung cấp lượng ánh sáng ít hơn.
Nguyên lý này của xung xung nhịp nhanh chóng với một thiết bị tải phản ứng chậm để điều khiển năng lượng điện được gửi đến nó là phổ biến trong thế giới điện tử công nghiệp. Do thiết bị điều khiển (diode, trong trường hợp này) hoàn toàn dẫn điện hoặc hoàn toàn không dẫn điện tại bất kỳ thời điểm nào, nó tiêu tán ít năng lượng nhiệt trong khi điều khiển công suất tải, làm cho phương pháp điều khiển công suất này rất tiết kiệm năng lượng. Mạch này có lẽ là phương pháp mạnh nhất có thể của công suất xung đối với tải, nhưng nó đủ dùng như một ứng dụng bằng chứng khái niệm.
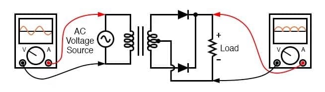
Chỉnh lưu toàn sóng
Nếu chúng ta cần chỉnh lưu nguồn AC để có được việc sử dụng đầy đủ cả hai nửa chu kỳ của sóng hình sin thì phải sử dụng cấu hình mạch chỉnh lưu khác. Một mạch như vậy được gọi là chỉnh lưu toàn sóng . Một loại bộ chỉnh lưu sóng toàn phần, được gọi là thiết kế vòi trung tâm , sử dụng một máy biến áp với cuộn thứ cấp được đặt ở giữa và hai điốt, như trong hình dưới đây.
Chỉnh lưu toàn sóng, thiết kế trung tâm.
Nửa chu kỳ tích cực
Hoạt động của mạch này được hiểu dễ dàng một nửa chu kỳ tại một thời điểm. Hãy xem xét nửa chu kỳ đầu tiên, khi phân cực điện áp nguồn là dương (+) ở trên và âm (-) ở dưới cùng. Tại thời điểm này, chỉ có các diode hàng đầu đang tiến hành; các diode phía dưới đang chặn dòng điện và tải trọng nhìn thấy nửa đầu của sóng hình sin, dương trên đỉnh và âm ở dưới. Chỉ nửa trên của cuộn dây thứ cấp của bộ biến đổi mang dòng điện trong nửa chu kỳ này như trong hình dưới đây.
Bộ chỉnh lưu trung tâm toàn sóng: Nửa trên của cuộn dây thứ cấp tiến hành trong nửa chu kỳ đầu vào dương, cung cấp nửa chu kỳ dương để tải.
Nửa chu kỳ âm
Trong nửa chu kỳ tiếp theo, cực AC đảo ngược. Bây giờ, các diode khác và nửa còn lại của cuộn dây thứ cấp của bộ biến đổi mang dòng điện trong khi các phần của mạch trước đây mang dòng điện trong nửa chu kỳ cuối không hoạt động. Tải trọng vẫn nhìn thấy một nửa sóng hình sin , có cùng cực như trước: dương trên đỉnh và âm dưới đáy. (Hình bên dưới)
Bộ chỉnh lưu trung tâm toàn sóng: Trong nửa chu kỳ đầu vào âm, nửa dưới của cuộn dây thứ cấp tiến hành, cung cấp một nửa chu kỳ dương cho tải.
Nhược điểm của thiết kế chỉnh lưu toàn sóng
Một nhược điểm của thiết kế chỉnh lưu toàn sóng này là sự cần thiết của máy biến áp với cuộn dây thứ cấp đặt ở giữa. Nếu mạch trong câu hỏi là một trong những công suất cao, kích thước và chi phí của một máy biến áp phù hợp là đáng kể. Do đó, thiết kế bộ chỉnh lưu trung tâm chỉ được nhìn thấy trong các ứng dụng năng lượng thấp.
Cấu hình khác
Phân cực chỉnh lưu trung tâm sóng toàn phần tại tải có thể được đảo ngược bằng cách thay đổi hướng của điốt. Hơn nữa, các điốt đảo ngược có thể được song song với một bộ chỉnh lưu đầu ra tích cực hiện có. Kết quả là bộ chỉnh lưu trung tâm toàn sóng hai cực phân cực kép trong hình dưới đây. Lưu ý rằng bản thân kết nối của điốt có cùng cấu hình với một cây cầu.
Chỉnh lưu trung tâm toàn sóng kép phân cực
Chỉnh lưu cầu toàn sóng (mạch chỉnh lưu cầu dùng 4 điôt)
Một thiết kế chỉnh lưu toàn sóng (mạch chỉnh lưu cầu dùng 4 điôt) khác phổ biến hơn tồn tại và nó được xây dựng xung quanh cấu hình cầu bốn diode. Vì lý do rõ ràng, thiết kế này được gọi là cầu sóng đầy đủ . (Hình bên dưới)

Các hướng dòng điện cho mạch chỉnh lưu cầu toàn sóng được thể hiện trong hình dưới đây cho nửa chu kỳ dương và hình dưới đây cho nửa chu kỳ âm của dạng sóng nguồn AC. Lưu ý rằng bất kể cực tính của đầu vào, dòng điện chạy theo cùng hướng thông qua tải. Nghĩa là, nửa chu kỳ âm của nguồn là nửa chu kỳ dương tại tải.
Dòng chảy qua hai điốt nối tiếp cho cả hai cực. Do đó, hai giọt diode của điện áp nguồn bị mất (0,7 · 2 = 1,4 V đối với Si) trong các điốt. Đây là một bất lợi so với thiết kế vòi trung tâm toàn sóng. Nhược điểm này chỉ là một vấn đề trong các nguồn cung cấp điện áp rất thấp.
Chỉnh lưu cầu toàn sóng: Dòng chảy cho nửa chu kỳ dương.
Chỉnh lưu cầu toàn sóng: Dòng chảy cho nửa chu kỳ âm.
Sơ đồ mạch chỉnh lưu cầu toàn sóng thay thế
Ghi nhớ cách bố trí hợp lý của điốt trong mạch chỉnh lưu cầu sóng toàn phần thường có thể gây khó chịu cho sinh viên mới của ngành điện tử. Tôi đã thấy rằng một đại diện thay thế của mạch này dễ nhớ và dễ hiểu hơn. Đó là cùng một mạch, ngoại trừ tất cả các điốt được vẽ theo thái độ ngang, tất cả các điểm đều hướng về cùng một hướng. (Hình bên dưới)
Kiểu bố trí thay thế cho chỉnh lưu cầu toàn sóng.
Phiên bản polyphase sử dụng Bố cục thay thế
Một lợi thế của việc nhớ bố cục này cho mạch chỉnh lưu cầu là nó dễ dàng mở rộng thành phiên bản polyphase trong Hình bên dưới.
Mạch chỉnh lưu cầu ba pha toàn sóng.
Mỗi dòng ba pha kết nối giữa một cặp điốt: một để định tuyến công suất tới phía dương (+) của tải và bên kia để định tuyến công suất tới phía âm (-) của tải.
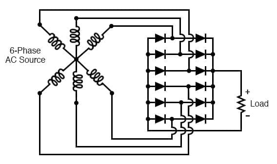
Các hệ thống polyphase với hơn ba pha có thể dễ dàng được bố trí trong sơ đồ chỉnh lưu cầu. Ví dụ, mạch chỉnh lưu cầu sáu pha trong hình dưới đây.
Mạch chỉnh lưu cầu sáu pha toàn sóng.
Khi AC polyphase được chỉnh lưu, các xung dịch pha chồng lên nhau để tạo ra một đầu ra DC mượt mà hơn nhiều (có ít nội dung AC) hơn so với tạo ra bởi chỉnh lưu AC một pha. Đây là một lợi thế quyết định trong các mạch chỉnh lưu công suất cao, trong đó kích thước vật lý tuyệt đối của các bộ phận lọc sẽ bị cấm nhưng phải lấy được nguồn DC có độ ồn thấp. Sơ đồ trong hình dưới đây là mạch chỉnh lưu cầu 3 pha.
Đầu ra mạch chỉnh lưu cầu 3 pha
Điện áp gợn
Trong mọi trường hợp chỉnh lưu, một pha hoặc polyphase, thì điện áp xoay chiều trộn với đầu ra DC của bộ chỉnh lưu được gọi là điện áp gợn . Trong hầu hết các trường hợp, vì mục đích thuần túy DC DC là mục tiêu mong muốn, điện áp gợn là không mong muốn. Nếu mức năng lượng không quá lớn, các mạng lọc có thể được sử dụng để giảm lượng gợn trong điện áp đầu ra.
Đơn vị 1 xung, 2 xung và 6 xung
Đôi khi, phương pháp chỉnh lưu được đề cập bằng cách đếm số lượng đầu ra xung DC DC cho mỗi 360 o của vòng quay điện. Một mạch chỉnh lưu một pha, nửa sóng, sau đó, sẽ được gọi là bộ chỉnh lưu 1 xung , bởi vì nó tạo ra một xung đơn trong suốt thời gian của một chu kỳ hoàn chỉnh (360 o ) của dạng sóng AC. Bộ chỉnh lưu một pha, toàn sóng (bất kể thiết kế, vòi trung tâm hay cầu) sẽ được gọi là bộ chỉnh lưu 2 xung vì nó tạo ra hai xung DC trong một khoảng thời gian của chu kỳ AC. Bộ chỉnh lưu toàn sóng ba pha sẽ được gọi là đơn vị 6 xung .
Các pha mạch chỉnh lưu
Quy ước kỹ thuật điện hiện đại mô tả thêm chức năng của mạch chỉnh lưu bằng cách sử dụng ký hiệu ba trường gồm các pha , cách và số lượng xung . Mạch chỉnh lưu một pha, nửa sóng được chỉ định hơi khó hiểu là 1Ph1W1P (1 pha, 1 cách, 1 xung), nghĩa là điện áp cung cấp AC là một pha, dòng điện trên mỗi pha của các đường cung cấp AC chỉ di chuyển theo một hướng (cách) và có một xung DC được tạo ra cho mỗi 360 o vòng quay điện.
Diode chỉnh lưu một pha, toàn sóng, sóng trung tâm sẽ được chỉ định là 1Ph1W2P trong hệ thống công chứng này: 1 pha, 1 chiều hoặc hướng của dòng điện trong mỗi nửa cuộn dây và 2 xung hoặc điện áp đầu ra trên mỗi chu kỳ.
Một bộ chỉnh lưu cầu một pha, toàn sóng, một pha sẽ được chỉ định là 1Ph2W2P: giống như đối với thiết kế vòi trung tâm, ngoại trừ dòng điện, có thể đi cả hai chiều qua các đường AC thay vì chỉ một chiều.
Mạch chỉnh lưu cầu ba pha được hiển thị trước đó sẽ được gọi là bộ chỉnh lưu 3Ph2W6P.
Có thể thu được nhiều xung hơn hai lần số pha trong mạch chỉnh lưu không?
Câu trả lời cho câu hỏi này là có :, đặc biệt là trong các mạch polyphase. Thông qua việc sử dụng máy biến áp một cách sáng tạo, các bộ chỉnh lưu sóng toàn phần có thể được song song theo cách sao cho hơn sáu xung DC được tạo ra cho ba pha AC. Sự thay đổi pha 30 o được đưa vào từ sơ cấp đến thứ cấp của máy biến áp ba pha khi các cấu hình cuộn dây không cùng loại.
Nói cách khác, một máy biến áp được kết nối Y-hoặc-Y sẽ thể hiện sự dịch pha 30 o này , trong khi máy biến áp được kết nối YY hoặc-Δ thì không. Hiện tượng này có thể được khai thác bằng cách có một máy biến áp được kết nối với bộ chỉnh lưu cầu YY và có một máy biến áp khác được kết nối với bộ chỉnh lưu cầu thứ hai, sau đó song song đầu ra DC của cả hai bộ chỉnh lưu. (Hình bên dưới)
Do dạng sóng điện áp gợn của hai đầu ra của bộ chỉnh lưu được lệch pha 30 o so với nhau, nên sự chồng chất của chúng tạo ra ít gợn hơn so với đầu ra của bộ chỉnh lưu được xem xét riêng: 12 xung trên 360 o thay vì chỉ sáu:
Mạch chỉnh lưu polyphase: 3 pha 2 chiều 12 xung (3Ph2W12P)
ÔN TẬP:
- Chỉnh lưu là việc chuyển đổi dòng điện xoay chiều (AC) thành dòng điện một chiều (DC).
- Diode chỉnh lưu nửa sóng là một mạch chỉ cho phép một nửa chu kỳ của dạng sóng điện áp xoay chiều được áp dụng cho tải, dẫn đến một cực không xen kẽ trên nó. Kết quả DC được phân phối cho tải xung xung nhịp đáng kể.
- Diode chỉnh lưu toàn sóng là một mạch chuyển đổi cả hai nửa chu kỳ của dạng sóng điện áp xoay chiều thành một chuỗi các xung điện áp không bị phá vỡ có cùng cực. Kết quả DC được phân phối cho tải không nhiều như xung xung.
- Dòng điện xoay chiều polyphase, khi được chỉnh lưu, mang lại dạng sóng DC DC mượt mà hơn ( điện áp gợn ít hơn ) so với AC một pha được chỉnh lưu.
Mời xem thêm Diode 1n4007 là gì












